Elektrik zum Motor hin tot

Alles was bei der ZXR unter Strom steht.
Welche Teile passen, welche Tricks gibt es
Antworten
Hirngreifer

Elektrik zum Motor hin tot

Beitrag von Hirngreifer »

Hallo Leute.

Habe meine Karre (ZXR 750 L, Bj. 93) soweit wieder zusammen gebaut und nun den Kabelbaum wieder angebracht. Bei Drücken auf den Anlasserknopf tut sich gar nichts. Auch kein Klackern des Relais.

Batterie ist in Ordnung, da sie orgelt, wenn ich das Anlasserrelais überbrücke.

Bild



Habe nun mal die mir wichtig erscheinenden Kabel durchgemessen. Das Kabel mit "rot" umrandet (schwarz-rot im Schaltplan) hat 12 V bei Drücken des Anlasserknopfes bis zur Junction-Box. Danach sollte meines Wissens nach, das mit "blau" gekennzeichnete Kabel (gelb-rot im Schaltplan) auch 12 V haben und somit das Anlasserrelais öffnen, um die 100 A frei zugeben. Allerdings sind die 12 V nur bis zur Junction-Box vorhanden, das "blau" markierte Kabel hat aber keine 12 V. Alles Sicherungen darin sind heile und auch eine 2. Junction-Box zeigt genau den Gleichen Fehler. Gibt es noch weitere Stromkreisläufe, die geöffnet werden müssen, damit das funktioniert??

Der Rest der Elektronik funktioniert KOMPLETT... Alles so, wie es sein soll. Nur zum Starten bring ich das Ding nicht.


Danke schön... :roll:
Zuletzt geändert von Hirngreifer am 23 Jul 2011 19:51, insgesamt 4-mal geändert.

Benutzeravatar
Sleipnir
ZXR-Guru
Beiträge: 4067
Registriert: 02 Aug 2007 12:03
ZXR-Modellreihe: H (89/90)

Re: Nichts, aber rein gar nichts tut sich..

Beitrag von Sleipnir »

Würde auch Relais sagen. Soll aber auch schonmal am Zündschloß gelegen haben. Wackel mal ein wenig am Schlüssel. Oder drück mal mehrmals hintereinander auf den Knopf. Meine kommt manchmal auch erst nach dem 5tn 6ten Mal und davor ist nix! Killschalter auf ON? Funktioniert und ist richtig angeschlossen?
<ZX750Holy-One000156> https://youtu.be/h5nDeMvPJZE

Benutzeravatar
Sleipnir
ZXR-Guru
Beiträge: 4067
Registriert: 02 Aug 2007 12:03
ZXR-Modellreihe: H (89/90)

Re: Nichts, aber rein gar nichts tut sich..

Beitrag von Sleipnir »

http://www.zxr750.de/board/viewtopic.php?f=5&t=53111" onclick="window.open(this.href);return false; 8)
<ZX750Holy-One000156> https://youtu.be/h5nDeMvPJZE

Hirngreifer

Re: Nichts, aber rein gar nichts tut sich..

Beitrag von Hirngreifer »

Killschalter auf on und alles richtig verkabelt..

Ich mess mal die naheliegendsten Kabel durch.. Danke schon mal.

Hirngreifer

Re: Nichts, aber rein gar nichts tut sich..

Beitrag von Hirngreifer »

So..

hab mal geguckt: Von der Schaltereinheit geht ein Kabelstrang ins grüne Gehäuse --> Dort werden 12 V weiter gegeben an das braune Kabel, welches auf der anderen Grün-Gehäuse-Seite sitzt. Ist das schon mal richtig?

Am Starterrelais sitzen auf dem weißen Kabel 12 V. Sonst ist auf keinem Kabel dort Strom. Was kann ich als nächstes messen, um zu brauchbaren Aussagen zu kommen und das heir zu posten?

Ich habe sonst alles verkabelt (Blinker, Licht, Tacho etc. und alles funktioniert einwandfrei...

Danke für eure Tipps

Frank

Re: Elektrik zum Motor hin tot

Beitrag von Frank »

Das Anlasserrelais wird meiner Erinnerung nach betätigt von einem Hilfsrelais aus dem Sicherungskasten.

Hirngreifer

Re: Elektrik zum Motor hin tot

Beitrag von Hirngreifer »

Also meinst du ein Relais im Sicherungskasten? Da sind doch nur Sicherungen.. Oder soll ich den auch mal tauschen?

Die Sicherungen da drin sind nämlich alle in Ordnung...

Benutzeravatar
hellbilly
KaramellMann
Beiträge: 680
Registriert: 25 Jul 2010 12:36
ZXR-Modellreihe: H (89/90)

Re: Elektrik zum Motor hin tot

Beitrag von hellbilly »

Ist am Anlasserrelais keine Hauptsicherung? Die is Ok oder?
Um was für nen Möpp gehts?
Als Gott die Erde schuf fragte er die Steine:
"Steine wollt ihr SCHWABEN sein?"
Darauf antworteten die Steine sehr beschämt:
"Wir würden gerne doch wir sind nicht HART genug!"

Hirngreifer

Re: Elektrik zum Motor hin tot

Beitrag von Hirngreifer »

Es handelt sich um eine ZXR 750 L. Die 30A-Sicherung ist neu..

Hirngreifer

Re: Elektrik zum Motor hin tot

Beitrag von Hirngreifer »

Frank hat geschrieben:Das Anlasserrelais wird meiner Erinnerung nach betätigt von einem Hilfsrelais aus dem Sicherungskasten.
Das bei beiden Sicherungskästen das Relais kaputt ist, kann ich mir nicht vorstellen.. Aber wenn dem sow äre, wie kann ich das überprüfen??

Frank

Re: Elektrik zum Motor hin tot

Beitrag von Frank »

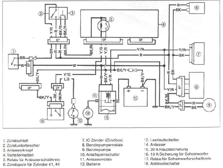
Basierend auf Schaltplan J:

-Das dünne Kabel BK/Y am Relais muss Massepotential haben. Test mit 21W Lampe nach Batterieplus.

Das dünne Kabel Y/R am Relais muss bei eingeschalteter Zündung und gedrücktem Stertknopf +12V führen (Weiß laut Schaltplan). Test: von diesem Kabel über 21W Glühlampe nach Masse. Ist Spannung da, Relais ersetzen.

Fehlt die Spannung +12V, am Klemmenkasten BK/R mit Prüflampe gegen Masse testen. Fehlt die Spannung, Run/Stop-Schalter und Kabelverbindungen zum Lenker prüfen (Kabelbruch oder oxydierter Stecker unter Tank).

Sind die 12V da, Neutralschalter prüfen. Leuchtet die grüne Lampe bei Gang in Position Neutral?
Dateianhänge
Image4.gif
Image4.gif (113.19 KiB) 1776 mal betrachtet

Hirngreifer

Re: Elektrik zum Motor hin tot

Beitrag von Hirngreifer »

Oh Mann.. Ich mags ja gar nicht posten.. Das Massekabel vom Seitenständer wars. :roll: :oops: Obwohl ich den mit Plus der Batterie am Anfang gechekt hab, gab es keine Masse. Zündung, Sicherungskasten und CDI komplett auseinandergenommen und durchgemessen.. Eine mühsame Arbeit, aber alles heile.. Und dann nochmal alle Massekabel durch und siehe da.. :?

Danke an alle, die Tipps gegeben haben.. Weiß jetzt einiges mehr über die Elektrik unserer Dicken. :D

Benutzeravatar
Dog
ZXR-Gott
Beiträge: 5769
Registriert: 17 Feb 2009 22:08
ZXR-Modellreihe: kein Mopped

Re: Elektrik zum Motor hin tot

Beitrag von Dog »

wie geil.... 8)
Deus iudex meus.

Metalhead77

Re: Elektrik zum Motor hin tot

Beitrag von Metalhead77 »

:respekt: Das du wenigstens den Mumm hast dich der Erniedrigung durch die anderen zu stellen.

Fehler machen wir alle,aber nicht alle haben den Mut es zuzugeben.
Wie sagt man so schön... That´s what seperates the Men from the Boys!

Schön das´s wieder geht...

Hirngreifer

Re: Elektrik zum Motor hin tot

Beitrag von Hirngreifer »

Man darf Fehler machen, sollte sie aber nicht wiederholen.

Und wenn jetzt auch noch die Schwimmer in 2 der Vergaser nicht mehr hängen, wirds nen Fest.
Die Underengineanlage macht so einen verdammt brachialen Sound.. :lol: :lol:


Ich werd dann mal nen Video posten :prost:

Antworten